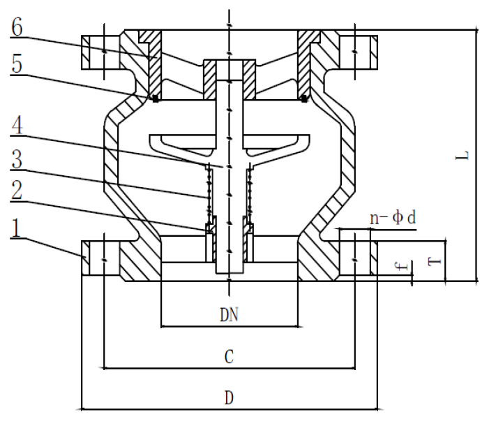
Lift disc and rubber seat
Design according to EN 1074
Flange connection standard: GB/T 9113, EN1092-2 PN10/PN16, ANSI B16.10 125LB/150LB
Pressure test: EN 12266-1
Size range : 2″ to 16″, DN50 to DN400
Pressure range : PN10, PN16, CL125/150
Applications: water supply, drinking water, irrigation, sewage
Painting: The inner and outer surfaces of the valve are coated with a powder epoxy coating.
Material List:

| No. | PART NAME | MATERIAL | |||||
| 1 | BODY | DUCTILE IRON | |||||
| 2 | BUSHING | DUCTILE IRON | |||||
| 3 | SPRING | SS304 | |||||
| 4 | STEM | 2Cr13 | |||||
| 5 | SEAL RING | EPDM | |||||
| 6 | DISC | DUCTILE IRON | |||||
Dimension List:
|
DN |
L |
EN1092-2 PN10/16 | ANSI B16.1 CL125/150 | ||||
| D | K | n-φd | D | K | n-φd | ||
| 50 | 125 | 165 | 125 | 4-19 | 165 | 120.5 | 4-19 |
| 65 | 145 | 180 | 145 | 4-19 | 180 | 139.5 | 4-19 |
| 80 | 155 | 195 | 160 | 8-19 | 195 | 152.5 | 4-19 |
| 100 | 165 | 215 | 180 | 8-19 | 229 | 190.5 | 8-19 |
| 125 | 180 | 250 | 210 | 8-19 | 254 | 216 | 8-22 |
| 150 | 210 | 280 | 240 | 8-23 | 280 | 241.5 | 8-22 |
| 200 | 250 | 335 | 295 | 8-23/12-23 | 335 | 298.5 | 8-22 |
| 250 | 290 | 395/405 | 350/355 | 12-23/12-27 | 405 | 362 | 12-25 |
| 300 | 310 | 445/460 | 400/410 | 12-23/12-27 | 480 | 432 | 12-25 |
| 350 | 330 | 505/520 | 460/470 | 16-23/16-31 | 530 | 476.5 | 12-29 |
| 400 | 335 | 565/580 | 515/525 | 16-28/16-31 | 597 | 539.5 | 16-29 |





